logo
 
Tilausinfo   Yhteydenottolomake   Yhteystiedot   Sivukartta   
Kirjaudu
SISÄ mm
ULKO mm
  LEVEYS mm
Haku laakerimerkintä, varaosanumero


Tuotteet
 

1055-2G varalaakeri 2" tuuma ruuvilukitus RHP
[50,8x100x21/55,5]

 82.83EUR 

1055-2G varalaakeri 2" tuuma ruuvilukitus RHP
1055-2G varalaakeri 2" tuuma ruuvilukitus RHP
Klikkaa suuremmaksi

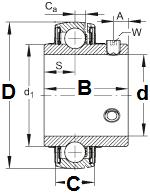
1055-2G varalaakeri 50,8mm eli 2" tuuman akselille valurautapesään, pyöristetty selkä, ruuvilukitus mitat 50,8x100x21/55,5 Huom! voitelureikä ja ura ulkokehällä lukitusruuvien vastaisella reunalla, merkki RHP laatulaakeri.

d = 50,8
D = 100
B = 55,55
C = 21

Tuotteen saatavuus: 2 kpl varastossa

 
Takaisin  
Määrä:
Tuote:  1055-2G varalaakeri 50,8x100x21/55,5 ruuvilukitus pyöreä selkä RHP

Ostoskorissa
 
Ostoskorisi on tyhjä
Toimitustavat
 
Postin noutopisteeseen toimituskulu painosta riippumatta 10€.

Ovelle tuotuna Postin hinnaston mukaisesti painosta riippuen 15,50€-35€.

Voit myös noutaa myymälästä Valkeakoskelta ma-pe klo 8-16.30.
Maksutavat
 
LAAKERINETTI